Round magnetic chucks - top 3 designs
All 3 pole pitch designs are available in Permanent, Electromagnetic and Electro-Permanent

parallel
Perfect for small & thin sized parts. For extra-thin work pieces, a smaller pitch top plate design is also available. Similar to concentric design, a multiple work piece arrangement is possible.

radial
The radial pole pitch arrangement is designed for cylindrical & ring shaped work pieces. Bearing manufactures are well served by the radial pole pitch layout.

Concentric
This design is suitable for multiple work piece arrangements, particularly work pieces that are large to medium sized. This design is most often found on a Blanchard grinder.
2 WAYS TO POWER MAGNETIC CHUCKS BY SLIP RING

CHUCK Imbedded Slip Ring
This option is great if you do not have a good way to run your wiring through the spindle of the lathe. The down side , you may have a bigger inactive center zone where the slip ring is integrated.

REAR SPINDLE SLIP RING
Perfect for the customers that have easy lathe spindle access. Make sure you have room to install this slip ring behind the machine spindle. It also allows you to have a center through hole for coolant if needed.



RADIAL POLE PITCH OPTIONS
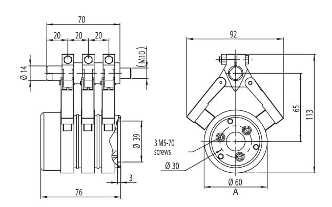
The radial pole pitched magnetic chuck is for workholding on a lathe. Best for turning or grinding the ID and OD of a cylindrical or ring shaped parts.

Permanent Type ERCA
The ERCA is a Permanent rotary magnetic chuck. Made in France with only the best materials. This design uses Alnico magnets, allowing for great holding power for ID/OD Turning & Grinding. It comes with 10 year warranty due the amazing quality.

ELECTROMAGNETIC TYPE ERC
The ERC is an Electromagnetic chuck. You will not find any magnets inside this chuck, only coils. A magnetic field is created when applying a current using a rectifier control unit. Great Demagnetizing capabilities. Add a slip ring and get to work.

Electro-Perm Type EP-ERC (N)
The EP-ERC and EP-ERCN are Elctropermanent radial chucks. Electricity is only needed during the magnetization or demagnetizon cycles. EP-ERC uses Alnico magnets which allows for a full demagnetization. EP-ERCN uses Neodymium for extra holding power.
$3,000.00Select options This product has multiple variants. The options may be chosen on the product page
PARALLEL POLE PITCH OPTIONS
Parallel pole pitched magnetic chucks are a great addition to your workholding solutions. It can have various uses, including Turning, Grinding and even EDM.

Permanent Type FM
The FM circular round magnetic chuck. It provides a powerful and uniform magnetic field using Ferrite magnets. Used for ID/OD Grinding and Turning.

Electromagnetic Type ERP
The ERP is a great Electromagnetic circular rotary chuck. Smart magnet choice for grinding thin work pieces on any rotary surface grinding machine.

Electro-Perm EPERU
The EPERU is our high end Electro-permanent rotary chuck with parallel poles. Great for grinding thin work pieces on any rotary surface grinding machine.
CONCENTRIC POLE PITCH OPTIONS
Concentric pole pitched magnetic chucks are almost always found on a vertical rotary surface grinder, such as a Blanchard, ELB or other rotary surface grinding machines.

Electromagnetic Type BC
The BC (Electomagnetic) is a Concentric pole pitched magnetic chuck, most often used to hold extremely high tolerances for parallelism and flatness of a Blanchard or other rotary grinding machines. Great way to use precision power variation with our Master Control unit.

Electroperm Type EP-BC
The EPBC (Electro-Permanent) is a Concentric pole pitched magnetic chuck, most often used to hold extremely high tolerances for parallelism and flatness on a Blanchard or other rotary grinder machines. Avoid heat issues, this magnet will stay cold.

CHECK OUT OUR CONTROL UNITS
If you need a Control unit for your new magnetic chuck, or even an old one, then Braillon Magnetics has you covered. Check our Electormagnetic and Electro-Permanent Control units.
Round magnetic chucks are manufactured in three standard pole pitch designs, which are; concentric, parallel and radial poles.
Each pole pitch is designed for a specific application or customer part.
You can find rotary magnetic chucks on most lathes and Blanchard grinders all around the globe, these would usually be a concentric or parallel pole pitch design.
You can find the radial pole pitch magnetic chuck on a lathes or ID/OD Grinding machine. The perfect part for this type of magnetic chuck is cylindrical.
All of these round magnetic chucks can be manufactured in one of three magnetic technologies; permanent, electromagnetic and Electro-Permanent.
The radial pole pitch circular magnetic chuck is for customers installing it on a lathe for turning or grinding the ID and OD of a cylindrical or ring shaped part. The magnetic chuck lathe options include permanent magnets, electromagnetic and electro-permanent technologies.
A Concentric pole pitch rotary magnetic chuck is most commonly found on a vertical rotary surface grinder, such as a Blanchard, ELB or many other rotary surface grinding machines. These circular magnetic chucks are usually made in either electromagnetic or electro-permanent technologies, allowing the end user to play with the variation of the magnetic field.
